- Breaks out all 8 contacts and the shield
- Screw terminals for fast connections
- Prototyping area for in-circuit modifications
- Easy access for probing and debugging
- Rubber feet provide a stable base
Wire Range (stranded): | 16-24 AWG |
Wire Range (solid): | 16-24 AWG |
Connector: | 8P8C + Shield |
PCB Surface Finish: | LF HASL |
Temperature Rating: | -15°C to +70°C |
WARNING: California Prop 65
This RJ45 breakout board provides a convenient method of accessing all the contacts of an 8P8C connector, including the shield. Each of the 9 connections are brought out to a screw terminal for fast and secure termination to wires. This board also features a prototyping area to enable in-circuit modifications as well as easy probing/diagnostics. The prototyping grid has a standard 0.1" pattern to enable compatibility with a variety of components. The rubber feet on this model provide clearance for the connections on the bottom making it perfect for a lab environment where it can be placed directly on a bench.
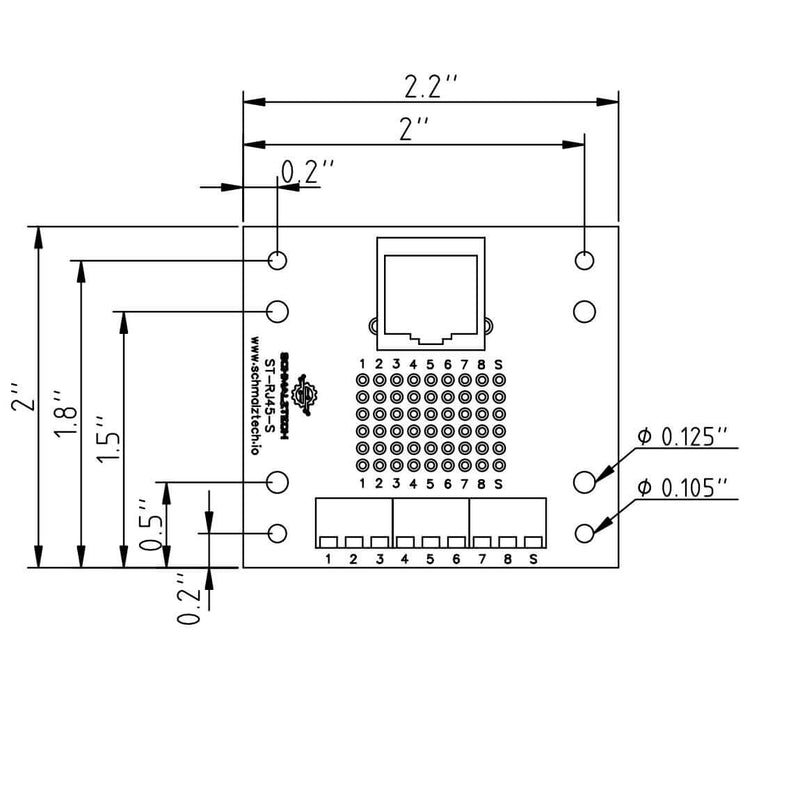
Mechanical Drawing
