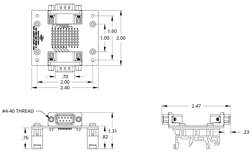
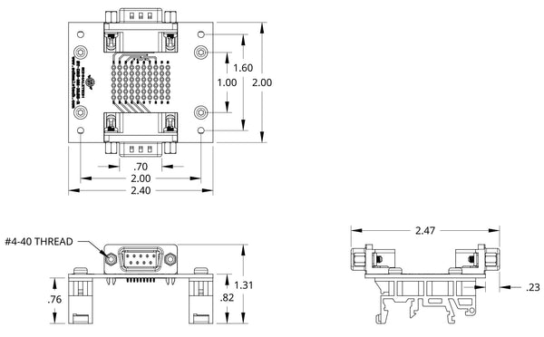
DB9 Male-Male Pass-Through Breakout Board with DIN Clips
MPN: ST-DB9-MM-PASS-R-DIN
Free Shipping on U.S. orders over $30.
- Breaks out all 9 contacts + shield
- Prototyping area for in-circuit modifications
- Easy access for probing and debugging
- Threaded inserts on connector are removable
- Easily mounts on 35mm DIN rail
Connector 1: | DB9 - Male |
Connector 2: | DB9 - Male |
Prototyping Hole Size: | 0.040" |
PCB Surface Finish: | LF HASL |
Temperature Rating: | -15°C to +70°C |
WARNING: California Prop 65
This male-to-male DB9 pass-through breakout board provides a convenient method of accessing all the contacts of a 9-pin D-Sub connector. Each of the 9 connections as well as the shield are brought out to a prototyping area to enable in-circuit modifications as well as easy probing and diagnostics. The prototyping grid has a standard 0.1" pattern to enable compatibility with a variety of components. The DIN clips on this model allow it to be easily used with a 35mm DIN rail system, making this board perfect for industrial applications.
Mechanical Drawing
