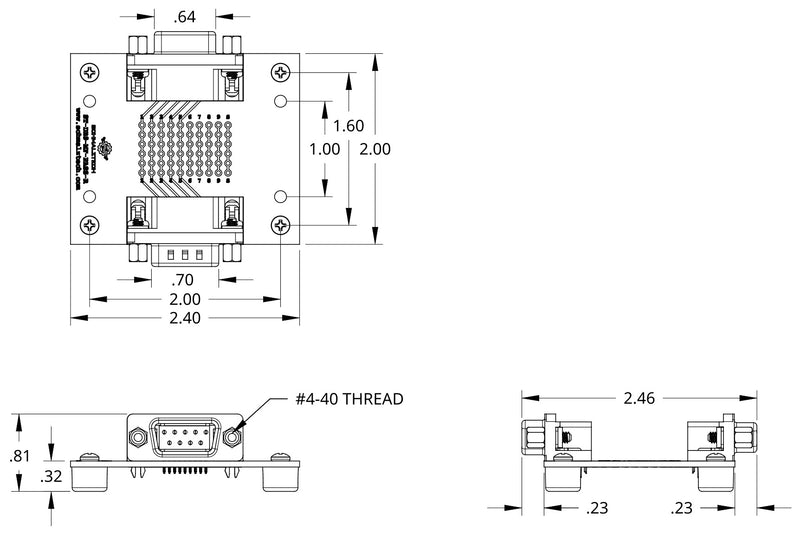
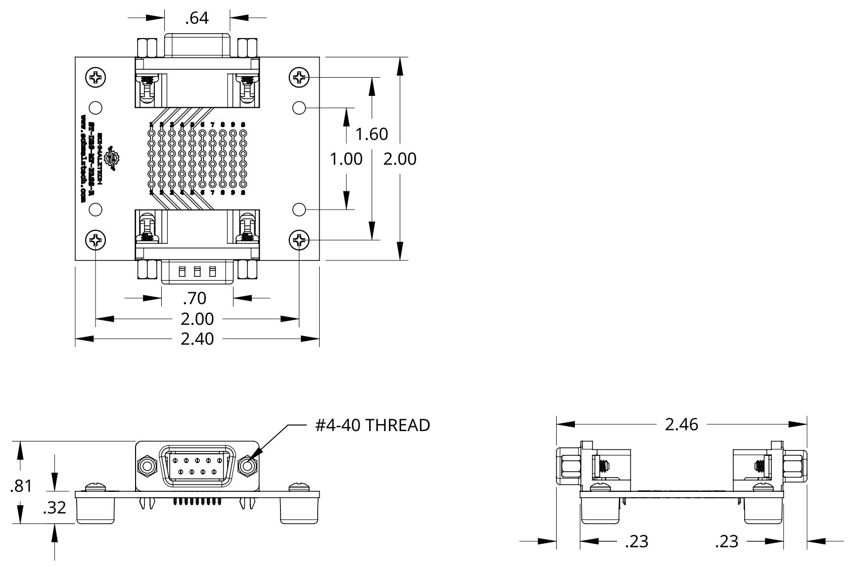
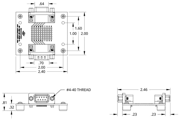
DB9 Male-Female Pass-Through Breakout Board with Feet
MPN: ST-DB9-MF-PASS-R-FT
Free Shipping on U.S. orders over $30.
- Breaks out all 9 contacts + shield
- Prototyping area for in-circuit modifications
- Easy access for probing and debugging
- Threaded inserts on connector are removable
- Rubber feet provide a stable base
Connector 1: | DB9 - Male |
Connector 2: | DB9 - Female |
Prototyping Hole Size: | 0.040" |
PCB Surface Finish: | LF HASL |
Temperature Rating: | -15°C to +70°C |
WARNING: California Prop 65
This male-to-female DB9 pass-through breakout board provides a convenient method of accessing all the contacts of a 9-pin D-Sub connector. Each of the 9 connections as well as the shield are brought out to a prototyping area to enable in-circuit modifications as well as easy probing and diagnostics. The prototyping grid has a standard 0.1" pattern to enable compatibility with a variety of components. The rubber feet on this model provide clearance for the connections on the bottom making it perfect for a lab environment where it can be placed directly on a bench.
Mechanical Drawing
