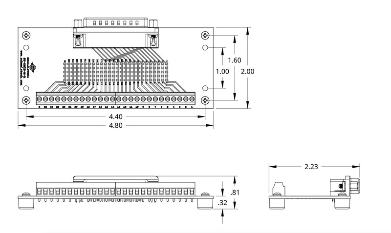
- Breaks out all 25 contacts + shield
- Screw terminals for fast connections
- Prototyping area for in-circuit modifications
- Easy access for probing and debugging
- Rubber feet provide a stable base
Wire Range (stranded): | 16-26 AWG |
Wire Range (solid): | 16-26 AWG |
Connector: | DB25 - Male |
PCB Surface Finish: | LF HASL |
Temperature Rating: | -15°C to +70°C |
WARNING: California Prop 65
This male DB25 breakout board provides a convenient method of accessing all the contacts of a 25-pin D-Sub connector. Each of the 25 connections as well as the shield are brought out to a screw terminal for fast and secure termination to wires. This board also features a prototyping area to enable in-circuit modifications as well as easy probing/diagnostics. The prototyping grid has a standard 0.1" pattern to enable compatibility with a variety of components. The rubber feet on this model provide clearance for the connections on the bottom making it perfect for a lab environment where it can be placed directly on a bench.
Mechanical Drawing
