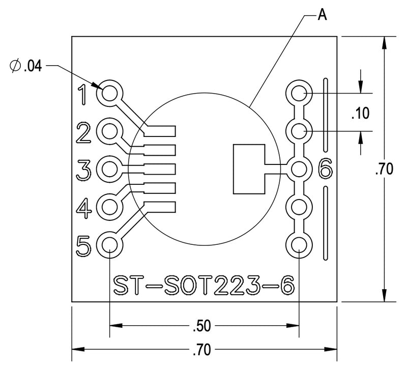
- Converts a SOT-223-6 SMD part to a DIP form factor
- High quality PCB can withstand re-work
- Enables SMD parts to be used with a breadboard
- 0.1" pitch holes for standard headers
DIP Pitch: | 0.1" |
SMD Package: | SOT223-6 |
Surface Finish: | ENIG |
Temperature Rating: | -30°C to +110°C |
WARNING: California Prop 65
This SMD to DIP breakout board enables the easy conversion of a surface mount package to a DIP form factor. This adapter makes prototyping with surface mount parts fast and easy. Holes with a standard 0.1" pitch allow the board to work with common headers and enable SMD parts to be used in breadboards and perfboards. This SMD to DIP adapters are made with a premium ENIG surface finish and the board is made of high quality FR4 which can withstand high temperature soldering and re-work.
Mechanical Drawing
